Katalog
Přihlášení uživatele
AKČNÍ NABÍDKY 
49999,– Kč

16999,– Kč

11999,– Kč
Turbodmychadlo Garrett GTX2867R Gen II Super Core - 84989...
![]() | Výrobce | Garrett |
![]() | Katalogové č. | G-849894-5002S |
![]() | Dostupnost | obvykle 3-10 dní |
Turbodmychadlo Garrett GTX2867R Gen II Super Core - 849894-5002S.
Poznámka: dodáváno bez výfukové části! Nutno dokoupit zvlášť!
Originální turbo od firmy Garrett řady GT-X nové druhé generace (Gen II). Nové generace turbodmychadel jsou vybaveny následujícími benefity: frézované kované kompresorové kolo ze speciálních lehkých slitin s vysokou pevností, vysoce propustná kompresorová skříň s volitelnou možností montáže snímače otáček, keramické dvojité kuličkové ložisko, inkonelové turbínové kolo odolávající vysokým teplotám, rovnoměrná geometrie snižující pulzní hluk. Turbodmychadla zajišťují perfektní průtok vzduchu, mají mnohem rychlejší nástup a vyšší výkon o 10-20% než klasická řada GT, ale také starší generace GT-X. Ložiska jsou chlazeny vodou a olejem. Absolutní novinou u druhé generace je ta, že některé modely jsou k dispozici s obráceným otáčením směru tzv. reservním.
- Doporučeno pro objemy: 4-válcové motory 1.4 - 2.5.
- Určeno pro výkony: 275 - 550PS.
- Určeno pro interní aktuátor a externí wastegate.
- Směr otáčení: standardní pravá.
Specifikace:
- ložiska: kuličková.
- typ aktuátoru: interní/externí.
- kompresorová část = A/R 0.60 / Trim 55. Vnitřní/vnější průměr hřídele 50/67mm.
- výfuková část = Trim 76. Průměr hřídele 54/47mm.
- chlazeno olejem a vodou.
- Turbo PN: 849894-2.
Výfukové části:
- 856800-5007S - A/R 0.64 - Wastegated - T25 5-děr.
- 856800-5008S - A/R 0.86 - Wastegated - T25 5-děr.
- 856800-5005S - A/R 0.57 - Free Float - V-Band
- 856800-5006S - A/R 0.72 - Free Float - V-Band
Na toto turbo je výhradně doporučena montáž olejového restriktoru na přívodní hadici mazání.
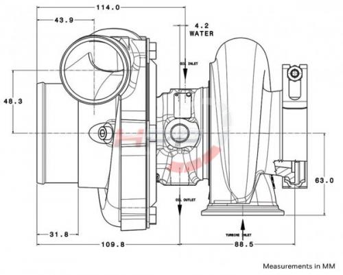
Rozměry adaptérů a přírub.
ON-LINE stav skladu
Počet položek: 16 122
TOP 10
- Přídavný budík Depo Racing CSM - tlak turba mechanický diesel 3bar
- Univerzální vysokotlaká pumpa Bosch Motorsports style 300l/h - typ 044 - 0580254044
- Náplň palivové nádrže D-Stop
- Fitinka rovná D-06 (AN6) 9/16"x18-UNF - Push-On system - výstup na hadici
- T-spona na tlakové hadice 79-87mm (na hadici 76mm)
- Oil catch tank - 2x vývod - objem 0,75l
- Manuální regulátor plnícího tlaku (MBC) Turbosmart style IN CABIN (ball-spring)
- Regulátor tlaku paliva Race Tech-R - 7bar
- Intercooler FMIC 780 x 300 x 76mm (600 x 300 x 76mm) - výstupy 79mm
- Termo izolační páska Thermotec 25mm x 15m bílá

